I ride mate, and I'll tell you that a steering damper is so handy on rippled or pot-holed roads. I can imagine it would be good on a car too, but i never thought about it.
The practice is that it's connected on one clip-on (handlebar) and then on the chassis so there is less free movement of the steering. it's just like a suspension damper and you can set stiffness.
How does it work on a car?
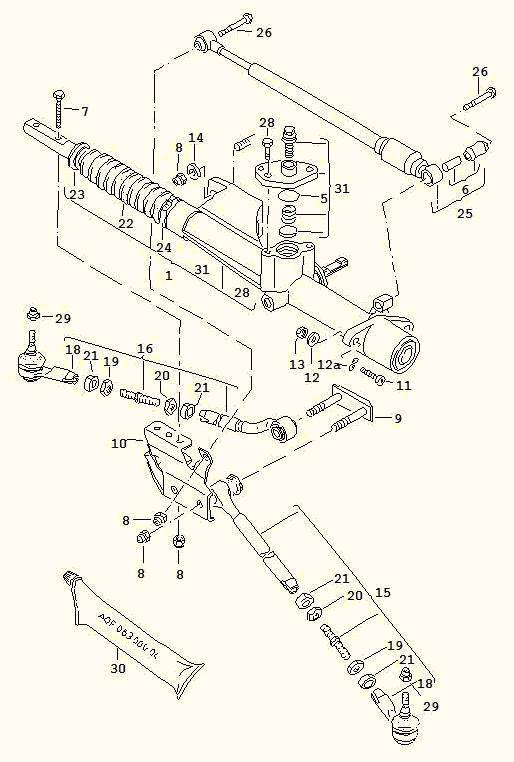
Actually wrote a simple report on the steering on the Audi 80 -83 i had at the time some years agoAlfettish wrote:I ride mate, and I'll tell you that a steering damper is so handy on rippled or pot-holed roads. I can imagine it would be good on a car too, but i never thought about it.
The practice is that it's connected on one clip-on (handlebar) and then on the chassis so there is less free movement of the steering. it's just like a suspension damper and you can set stiffness.
How does it work on a car?
- Attachments
-
- damper.JPG (67.66 KiB) Viewed 4179 times
-
- damper 2.JPG (60.59 KiB) Viewed 4180 times
The milano very sold, some day some other Alfa...


